
| 輸出 | PJ-24V30W口NA | PJ-24V50W口NA | PJ-24V100W口口A | PJ-24V150W口口A | PJ-48V50W口NA | |
| 輸出電壓 | 24 V | 24 V | 24 V | 24 V | 48 V | |
| 輸出電壓范圍 | 21.6-26.4 V | 21.6-26.4 V | 21.6-26.4 V | 21.6-26.4 V | 43.2-52.8 V | |
| 輸出電流 | 1.3 A | 2.1 A | 4.3 A | 6.3 A | 1.1 A | |
| 輸出功率 | 31.2 W | 50.4 W | 103.2 W | 150 W | 52.8 W | |
| 紋波電壓 (20 MHz) | < 150 mVpp | < 250 mVpp | ||||
| 保持時間 | 100 VAC | 20 ms typ. | ||||
| 輸入 | ||||||
| 輸入相數 | 單相 | |||||
| 輸入電壓范圍 | 85-264 VAC | |||||
| 輸入頻率 | 47-63 Hz | |||||
| 輸入電流 | 100 VAC | 0.65 A typ. | 0.65 A typ. | 1.30 A typ. | 1.90 A typ. | 0.65 A typ. |
| 200 VAC | 0.35 A typ. | 0.35 A typ. | 0.65 A typ. | 0.95 A typ. | 0.35 A typ. | |
| 滿載效率 (負載) |
100 VAC | 85.0% typ. | 84.5% typ. | 86.0% typ. | 88.0% typ. | 83.0% typ. |
| 200 VAC | 86.0% typ. | 87.0% typ. | 89.0% typ. | 91.0% typ. | 85.0% typ. | |
| 浪涌電流(冷啟動) | 100 VAC | 15 A typ. | ||||
| 200 VAC | 30 A typ. | |||||
| 功率因素 | 100 VAC | 符合 EN 61000-3-2 | 0.98 typ. | 0.99 typ. | 0.98 typ. | |
| 200 VAC | 0.97 typ. | 0.98 typ. | 0.97 typ. | |||
| 漏電流 | 100 VAC | < 0.1mA | < 0.2mA | < 0.1 mA | ||
| 240 VAC | < 0.2 mA | < 0.4 mA | < 0.2 mA | |||
| 機構 | ||||||
| 外殼 / 底架 | SGCC | |||||
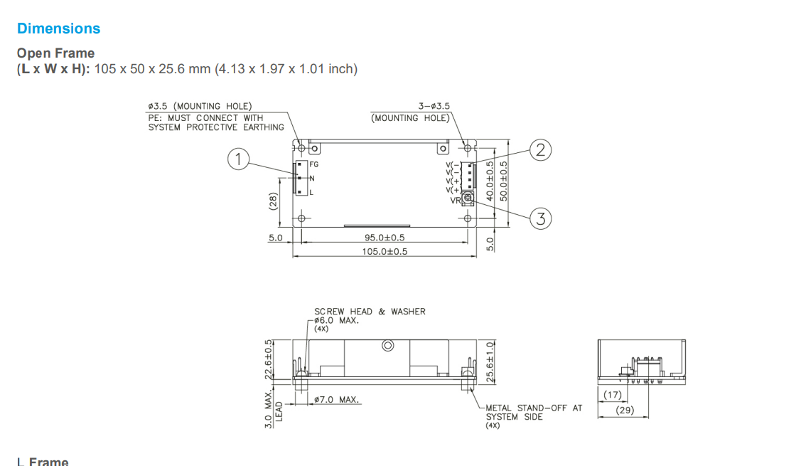
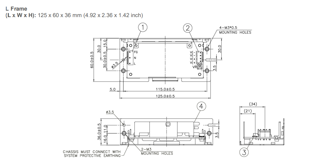
| 尺寸(L × W × H) | mm | 105 × 50 × 25.6 | 132 × 50 × 26.6 | 155 × 62 × 33.5 | 160 × 75 × 37 | 132 × 50 × 26.6 |
| inch | 4.13 × 1.97 × 1.01 | 5.20 × 1.97 × 1.05 | 6.10 × 2.44 × 1.32 | 6.30 × 2.95 × 1.46 | 5.20 × 1.97 × 1.05 | |
| 重量 | kg | 0.11 | 0.16 | 0.26 | 0.29 | 0.16 |
| lb | 0.24 | 0.35 | 0.57 | 0.64 | 0.35 | |
| 冷卻方式 | 自然對流 | |||||
| 平均故障間隔時間 | > 200,000 hrs | |||||
| 環境 | ||||||
| 運行溫度 | -10°C 至 +70°C | |||||
| 儲存溫度 | -25°C 至 +75°C | |||||
| 運行濕度 | 5 至 95% RH (無冷凝) | |||||
| 運行海拔高度 | 0 至 5,000 m (0 至 16,400 ft) | |||||


